
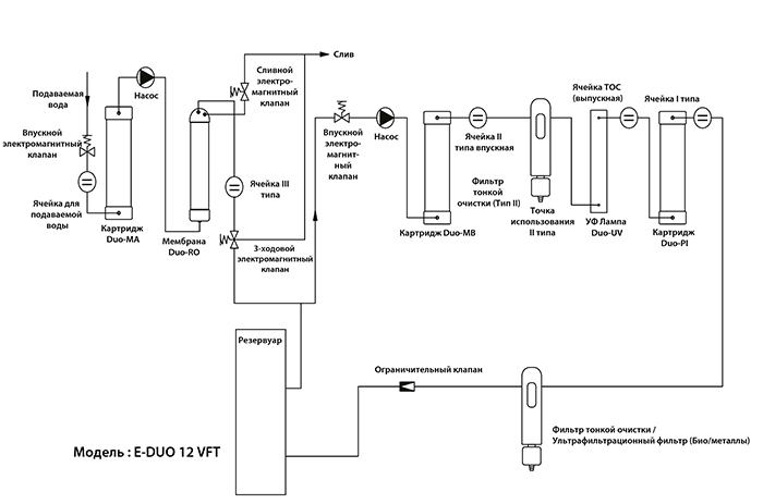
Универсальные системы получения сверхчистой воды Puris E-Duo
- Производства воды типа Ⅲ, Ⅱ, Ⅰ, которая соответствует ASTM, ISO3696, CLSI, EP USP
- Использование высокоточных анализаторов
- Возможность замены и установки конечного фильтра E-POU
- 5-дюймовый графический сенсорный экран
Производитель MIRAE ST
Описание
Характеристики
Материалы
Описание
Области применения
Ультрачистая вода Тип I
- Аналитические инструменты: ВЭЖХ, ЖХ/МС, ГХ, АА, ИСП/МС, ИЛХ
- Биотехнологии: Культивирование клеток, генная инженерия, секвенирование ДНК методом ПЦР, электрофорез
- Производство полупроводников: вода для очистки полупроводников
Тип II воды
- Общий анализ и получение реагентов
- Питательная вода для автоклавов, гидрогенерации, приборов для клинического анализа и т. д.
Тип III, IV воды
- Питательная вода для получения воды I и II типов
- Питательная вода для промывания стеклянной посуды и лабораторного оборудования.
Особенности
- Возможность производства воды типа Ⅲ, Ⅱ, Ⅰ, отвечающую требованиям ASTM, ISO3696, CLSI, EP USP, водной системе.
- Использование высокоточных анализаторов для получения воды для ВЭЖХ, АА, ИСП/МС, ЖХ/МС, а также воды для анализатора ТОС, задач молекулярной биологии и производства полупроводников.
- Возможность замены и установки конечного фильтра E-POU в соответствии с областью применения
- 5-дюймовый графический сенсорный экран для управления системой очистки воды и дозатором
- Контроль качества всей воды, от питательной до сверхчистой, по температуре.
- Распознавание фильтров и других компонентов, информирование о замене расходных материалов
- Отслеживание утечки продукта и ошибок устройства в режиме реального времени, наличие функции автокалибровки датчика электропроводности.
Технические характеристики
| Параметры | E-Duo13 UV (White LED) |
E-Duo13 VF (Yellow LED) |
E-Duo12 VF (Green LED) |
E-Duo12 VFT (Blue LED) |
||
| Расход (до) | Тип I | 2,0 л/мин | 2,0 л/мин | 2,0 л/мин | 2,0 л/мин | |
| Тип II | - | 2,0 л/мин | 2,0 л/мин | |||
| Тип III | 22 л/ч | 22 л/ч | 22 л/ч | 22 л/ч | ||
| Качество воды | Проводимость | Тип III | 1-20 мкСм | 1-20 мкСм | 1-20 мкСм | 1-20 мкСм |
| Удельное сопротивление | Тип II | - | - | >10МОм-см | >10МОм-см | |
| Тип I | 18,2 МОм-см | 18,2 МОм-см | 18,2 МОм-см | 18,2 МОм-см | ||
| ТОС | Тип I | <3 ppb | <3 ppb | <3 ppb | <3 ppb | |
| Тип II | - | - | <30 ppb | <30 ppb | ||
| Частицы (0,2 мкм) | Тип I | <1 ЕЭ/мл | <1 ЕЭ/мл | <1 ЕЭ/мл | <1 ЕЭ/мл | |
| Тип II | - | - | <1 ЕЭ/мл | <1 ЕЭ/мл | ||
| Бактерии | Тип I | <0,01 КОЕ/мл | <0,01 КОЕ/мл | <0,01 КОЕ/мл | <0,01 КОЕ/мл | |
| Тип II | <0,01 КОЕ/мл | <0,01 КОЕ/мл | <0,01 КОЕ/мл | <0,01 КОЕ/мл | ||
| Эндотоксин* | Тип I | - | <0,001 ЕЭ/мл | <0,001 ЕЭ/мл | <0,001 ЕЭ/мл | |
| Тип II | - | <0,001 ЕЭ/мл | <0,001 ЕЭ/мл | <0,001 ЕЭ/мл | ||
| Rназа* | Тип I | - | <0,001 ЕЭ/мл | <0,001 ЕЭ/мл | <0,001 ЕЭ/мл | |
| Тип II | - | <0,001 ЕЭ/мл | <0,001 ЕЭ/мл | <0,001 ЕЭ/мл | ||
| Dназа* | Тип I | - | <5пг/мл | <5пг/мл | <5пг/мл | |
| Тип II | - | <5пг/мл | <5пг/мл | <5пг/мл | ||
Комплектация оборудования
| Питание | 100-240 В, 50-60 Гц, 110 Вт | |
| Размеры | Основной блок: 310 * 460 * 510 мм |
Дозатор: 280 * 400 * 775 мм |
| Резервуар 35 л: 270 * 500 * 730 мм |
Резервуар 75 л: 315 * 580 * 810 мм |
|
| Масса | Основной блок: 28 кг |
Дозатор: 5 кг |
| Стандартные аксессуары | Картридж МА Мембрана RO Картридж МИ УФ Лампа Картридж PI E-Duo13 UV(White LED) : фильтр тонкой очистки I E-Duo13 VF(Yellow LED) : ультрафильтрационный фильтр E-Duo12 VF(Green LED) : фильтр тонкой очистки II, ультрафильтрационный фильтр E-Duo12 VFT(Blue LED) : фильтр тонкой очистки II, ультрафильтрационный фильтр |
|
| Дополнительные аксессуары | Резервуар 35 л / 75 л | USB для вывода данных |

