
Волоконные лазеры высокой энергии серии QCW
- Длительность импульса: ≈ 0.01 – 50 мс
- Энергия импульса: макс. 15 Дж
- Центральная длина волны излучения: 1080 нм
- Ширина полосы 3 дБ: 3 – 6 нм
Производитель BELLIN LASER
Описание
Характеристики
Отличительные особенности
- Высокое качество пучка
- QBH выходной коннектор
- Мониторинг выходной мощности
- Простота эксплуатации
- Выходная пиковая мощность до 1500 Вт
- Энергия импульса до 15 Дж
- Ширина полосы 3 дБ: 3 – 6 нм
- Превосходное качество излучения: M2 < 1.3
Области применения
- Лазерная сварка Fine Welding
- Высокоточная резка материалов
- Скрайбирование, резка, сверление керамики
Характеристики
| Модель | AFL-150Q |
| Режим работы | Непрерывный / Импульсный |
| Поляризация | Случайная |
| Средняя выходная мощность в непрерывном режиме | 250 Вт |
| Средняя выходная мощность в импульсном режиме | 150 Вт |
| Скважность | < 50% |
| Длительность импульса | ≈ 0.01 – 50 мс |
| Энергия импульса | макс. 15 Дж |
| Центральная длина волны излучения | 1080 нм |
| Ширина полосы 3 дБ | 3 – 6 нм |
| Кратковременная стабильность выходной мощности | СКО < 2% |
| Долговременная стабильность выходной мощности | СКО ± 1.5% |
| Периоды нарастания и спада импульса | 30 мкс |
| Мощность прицельного красного лазера | ≈ 0.1 – 1 мВт |
| Качество пучка | M2 < 1.3 |
| Элемент вывода излучения | QBH коннектор |
| Расходимость пучка | 85 – 115 мрад |
| Длина армированного волоконного кабеля | 3 – 3.5 м |
| Радиус изгиба кабеля | > 75 мм |
| Рабочая температура | 10 – 50°C |
| Температура хранения | -40 … +75°C |
| Относительная влажность | 10 – 80% (не конденсированный воздух) |
| Температура работы чиллера | 20 – 24°C |
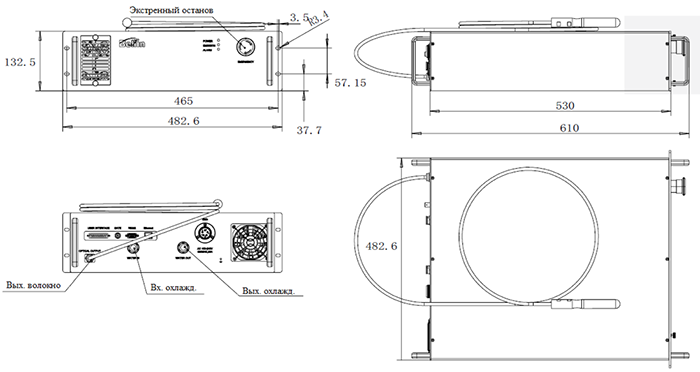
| Габаритные размеры модуля (Г×Ш×В) | 610 × 483 × 133 мм |
| Вес модуля | 30 кг |
Рис. 1. Типовые габаритные размеры лазера (в мм).
