
Цифровой флуоресцентный LED микроскоп F1-CIS XB
- Инвертированный флуоресцентный микроскоп
- 4-цветная флуоресцентная визуализация
- Фазово-контрастная визуализация
- Визуализация в светлом поле
- Автоматизированные столики по X, Y, Z
Производитель NANOSCOPE Systems, Inc
Описание
F1-CIS XB – это цифровой флуоресцентный LED микроскоп с полностью моторизованной конфигурацией, разработанный для эффективной и интуитивно понятной работы. Параметры микроскопа, такие как интенсивность света, комбинации фильтров и чувствительность, можно регулировать и контролировать в режиме реального времени. Полностью автоматизированные предметные столики и вращающаяся турель управляются с помощью удобных цифровых интерфейсов. Высококачественные флуоресцентные изображения мгновенно отображаются на мониторе и сохраняются в виде стандартных электронных файлов изображений для удобного анализа и документирования.
Отличительные особенности
- Инвертированный флуоресцентный микроскоп
- 4-цветная флуоресцентная визуализация
- Фазово-контрастная визуализация
- Визуализация в светлом поле
- Автоматизированные столики по X, Y, Z
- Моторизованная турель с объективами
- Моторизованное фильтровое колесо
- Совместим с предметными стеклами, луночными планшета, чашами Петри
Автоматическое сканирование луночных планшетов
Координаты отдельных лунок в стандартных планшетах генерируются автоматически, а сканирование ограничивается круглыми областями лунок. Это обеспечивает удобное и точное сканирование широкого спектра стандартных планшетов, что позволяет пользователям интуитивно определять положение лунок и быстро перемещать столик в нужное место.
Программное обеспечение FlouWorks
Специализированное программное обеспечение для F1-CIS XB управляет микроскопической системой и ее компонентами с помощью простого и интуитивно понятного пользовательского интерфейса.
Программа предоставляет множество полезных функций и возможностей для различных исследовательских задач.
Получение изображений
Совмещение сигналов из разных каналов детектирования на одном изображении
Сшивание изображений
Сшивание последовательных, заранее определенных областей полученных изображений значительно упрощает широкомасштабную визуализацию больших образцов. Сшитые изображения можно анализировать как единое целое, но пользователь также может просматривать исходные отдельные изображения для детального изучения конкретных сегментов сшитого изображения.
С помощью этой функции доступна визуализация на всём предметном стекле или сканирование по луночному планшету.
Примеры полученных изображений
Совмещение сигналов из разных каналов детектирования на одном изображении
Сшивание изображений
Последовательная визуализация предварительно определенной области и сшивание этих полученных изображений обеспечат большое удобство для визуализации широкого диапазона больших образцов. Сшитое изображение может быть проанализировано как одно изображение, и/или пользователь может также наблюдать исходные отдельные изображения, чтобы детально рассмотреть определенные сегменты сшитого изображения. С помощью этой функции доступна визуализация на предметном стекле или сканирование по луночному планшету.
Характеристики
| Модуль микроскопа | ||
| Тип микроскопа | Инвертированный или прямой | |
| Объективы | Стандартные объективы, скорректированные на бесконечность; поддерживаются другие коммерческие стандартные объективы | |
| Турель для объективов | 6-позиционная, моторизованная | |
| Источник возбуждения | Высокомощные LED диоды с контролем яркости | |
| Система регистрации | Высокопроизводительный КМОП на 9 Мп с TEC охлаждением | |
| Каналы визуализации | 4 флуоресцентных + 1 светлого поля (с фильтрами) | |
| Фильтры | DAPI, GFP, RFP, Cy5, CFP, YFP, Cy7, TRITC и т.д. (до 4 шт.) | |
| Конденсор | Большое рабочее расстояние (NA 0.55, WD 27 мм); светлое поле, фазовый контраст, DIC |
|
| XY предметный столик | Моторизованный, перемещение 115 × 75 мм, миним. шаг 100 нм | |
| Z-привод | Моторизованный, перемещение 15 мм, миним. шаг 50 нм | |
| Аксессуары | Джойстик с поворотными тумблерами для контроля столиков; Держатели образца: предметное стекло, луночный планшет, чаши Петри | |
| Методы визуализации | Флуоресцентная, светлопольная, фазовый контраст, DIC | |
| Опциональные модули | ||
| Тринокуляр | Окуляры | 10X, широкопольное изображение (FN 22–25), диоптрийная и межзрачковая регулировка |
| Вторичная камера | Высокопроизводительный КМОП на 9 Мп с TEC охлаждением | |
| Конденсор | Сверхбольшое рабочее расстояние (NA 0.30, WD 73 мм); светлое поле, фазовый контраст |
|
| Моторизованный пинхол | Моторизованное переключение от 0.3 до 25 размеров диска Эйри (16 шагов) | |
| Программное обеспечение | ||
| Автоматизированные функции | Сканирование по луночному планшету Составное изображение по глубине (Z-стэкинг) Покадровая съемка / Многоточечное сшивание Полнофокусное сшивание / Автофокусировка |
|
| Специальные функции | Подсчет клеток, интеллектуальные шкалы, создание образца | |
| Форматы данных | TIFF, JPEG, PNG | |
| Экспорт в сторонние программы | Imaris, ImageJ | |
| Модуль электроники | ||
| Блок управления | Специализированный персональный компьютер с монитором Windows 11, 64-разрядная |
|
| Энергопотребление | 100 – 240 В, 50/60 Гц; энергопотребление 700 ВА | |
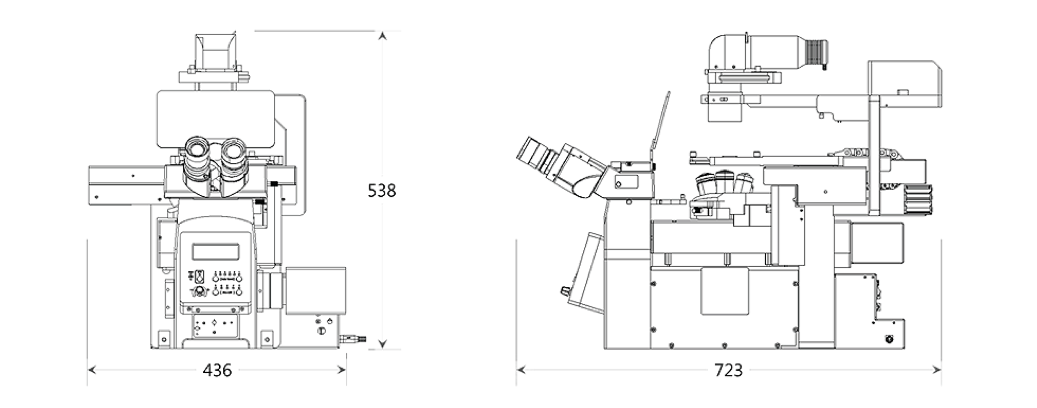
Габаритные размеры [мм]













